20 Meter Dual Gate MOSFET SSB Transceiver from N6QW

 

The above radio was a result of taking a previously built transceiver, which only operated marginally and transforming it into a radio that has several very modern features. Often I will mention in some of my QRP Quarterly articles where I have two boxes of radios. One very large box contains radios that "sorta worked or only work marginally". The second much smaller box contains radios that work very nicely and I now can move this radio from the large box to the small box.

So now you ask what changed? I have written a series of articles that used the current crop of low cost Dual Gate MOSFET's from NXP Phillips. By low cost I mean about 40 Cents in single lot units. Having had such good experience with the BF991, BF994 and BF998 I thought I would try reworking the transceiver to include the BF991 in the bilateral IF amp stage and to remove the homebrew crystal filter and replace that with a commercial 9.0 MHz sold by the GQRP Club and available from N8ET, Bill Kelsey. Well needless to say I was successful and now a happy camper. The next task was to replace the 24 MHz Heterodyne VFO with a kit avialable from K5BCQ. This kit is a Si570 based digital frequency generator and comes complete with a backlit digital display. The kit has functionality to be controlled via a keyboard and later with help from Tom Hall AB2K the radio can be controlled with a 16 Key keypad featuring a Teensy 2.0 Arduino as the main control source. Ron Taylor, G4GXO has also provided me code so that the major functions are now controlled with a PIC 16F88 microcontoller. What a blast to simply hold down a key on the keypad and watch the radio tune up and down the band.

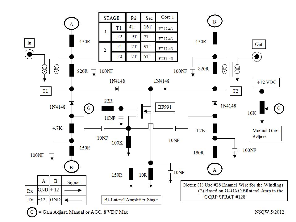
The bilateral IF amp strip conatined in this radio was the subject of an article that will run in QRP Quarterly and in that article I promised to provide complete details on build the entire radio. The links below provide that information.

 

The 20 Meter Transceiver is shown with the AB2K Keypad Controller.

Listing of Schematics and Links to Additional Information

1
2
3
4
5
6
7